CBSE Class 12 Physics 2019 Question Paper
This question paper contains 27 questions. All questions are compulsory. This question paper has four sections: Section A, Section B, Section C and Section D.
Section A contains five questions of one mark each, Section B contains seven questions of two marks each, Section C contains twelve questions of three marks each, and Section D contains three questions of five marks each.
Section - A
1. Draw the pattern of electric field lines, when a point charge –Q is kept near an uncharged conducting plate.
2. How does the mobility of electrons in a conductor change, if the potential difference applied across the conductor is doubled, keeping the length and temperature of the conductor constant ?
3. Define the term “threshold frequency”, in the context of photoelectric emission.
OR
Define the term “Intensity” in photon picture of electromagnetic radiation.
4. What is the speed of light in a denser medium of polarising angle 30° ?
5. In sky wave mode of propagation, why is the frequency range of transmitting signals restricted to less than 30 MHz ?
OR
On what factors does the range of coverage in ground wave propagation depend ?
Section - B
6. Two bulbs are rated (P1, V) and (P2, V). If they are connected (i) in series and (ii) in parallel across a supply V, find the power dissipated in the two combinations in terms of P1 and P2.
7. Calculate the radius of curvature of an equi-concave lens of refractive index 1.5, when it is kept in a medium of refractive index 1.4, to have a power of –5D ?
OR
An equilateral glass prism has a refractive index 1.6 in air. Calculate the angle of minimum deviation of the prism, when kept in a medium of refractive index 4 √2/5.
8. An α-particle and a proton of the same kinetic energy are in turn allowed to pass through a magnetic field B, acting normal to the direction of motion of the particles. Calculate the ratio of radii of the circular paths described by them.
9. State Bohr’s quantization condition of angular momentum. Calculate the shortest wavelength of the Bracket series and state to which part of the electromagnetic spectrum does it belong.
OR
Calculate the orbital period of the electron in the first excited state of hydrogen atom.
10. Why a signal transmitted from a TV tower cannot be received beyond a certain distance ? Write the expression for the optimum separation between the receiving and the transmitting antenna.
11. Why is wave theory of electromagnetic radiation not able to explain photo electric effect ? How does photon picture resolve this problem ?
12. Plot a graph showing variation of de Broglie wavelength (λ) associated with a charged particle of mass m, versus 1/√V, where V is the potential difference through which the particle is accelerated. How does this graph give us the information regarding the magnitude of the charge of the particle ?
Section - C
13. (a) Draw the equipotential surfaces corresponding to a uniform electric field in the z-direction.
(b) Derive an expression for the electric potential at any point along the axial line of an electric dipole.
14. Using Kirchhoff’s rules, calculate the current through the 40 Ω and 20Ω resistors in the following circuit :

OR
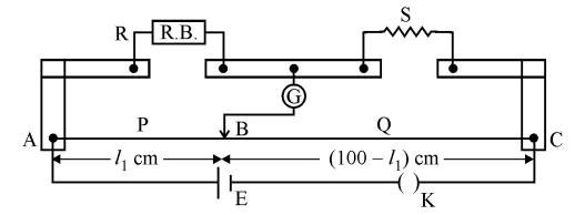
What is end error in a metre bridge ? How is it overcome ? The resistances in the two arms of the metre bridge are R = 5 Ω and S respectively.
When the resistance S is shunted with an equal resistance, the new balance length found to be 1.5 l1, where l1 is the initial balancing length. Calculate the value of S.

15. (a) Identify the part of the electromagnetic spectrum used in (i) radar and (ii) eye surgery. Write their frequency range.
(b) Prove that the average energy density of the oscillating electric field is equal to that of the oscillating magnetic field.
16. Define the term wavefront. Using Huygen’s wave theory, verify the law of reflection.
OR
Define the term, “refractive index” of a medium. Verify Snell’s law of refraction when a plane wavefront is propagating from a denser to a rarer medium.
17. (a) Define mutual inductance and write its S.I. unit.
(b) A square loop of side ‘a’ carrying a current I2 is kept at distance x from an infinitely long straight wire carrying a current I1 as shown in the figure. Obtain the expression for the resultant force acting on the loop.

18. (a) Derive the expression for the torque acting on a current carrying loop placed in a magnetic field.
(b) Explain the significance of a radial magnetic field when a current carrying coil is kept in it.
19. Draw a labelled ray diagram of an astronomical telescope in the near point adjustment position.
A giant refracting telescope at an observatory has an objective lens of focal length 15 m and an eyepiece of focal length 1.0 cm. If this telescope is used to view the Moon, find the diameter of the image of the Moon formed by the objective lens. The diameter of the Moon is 3.48 × 106 m, and the radius of lunar orbit is 3.8 × 108 m.
20. (a) State Gauss’s law for magnetism. Explain its significance.
(b) Write the four important properties of the magnetic field lines due to a bar magnet.
OR
Write three points of differences between para-, dia- and ferro- magnetic materials, giving one example for each.
21. Define the term ‘decay constant’ of a radioactive sample. The rate of disintegration of a given radioactive nucleus is 10000 disintegrations/s and 5,000 disintegrations/s after 20 hr. and 30 hr. respectively from start. Calculate the half life and initial number of nuclei at t = 0.
22. (a) Three photo diodes D1, D2 and D3 are made of semiconductors having band gaps of 2.5 eV, 2 eV and 3 eV respectively. Which of them will not be able to detect light of wavelength 600 nm ?
(b) Why photodiodes are required to operate in reverse bias ? Explain.
23. (a) Describe briefly the functions of the three segments of n-p-n transistor.
(b) Draw the circuit arrangement for studying the output characteristics of n-p-n transistor in CE configuration. Explain how the output characteristics is obtained.
OR
Draw the circuit diagram of a full wave rectifier and explain its working. Also, give the input and output waveforms.
24. (a) If A and B represent the maximum and minimum amplitudes of an amplitude modulated wave, write the expression for the modulation index in terms of A & B.
(b) A message signal of frequency 20 kHz and peak voltage 10 V is used to modulate a carrier of frequency 2 MHz and peak voltage of 15 V. Calculate the modulation index. Why the modulation index is generally kept less than one ?
Section - D
25. (a) In a series LCR circuit connected across an ac source of variable frequency, obtain the expression for its impedance and draw a plot showing its variation with frequency of the ac source.
(b) What is the phase difference between the voltages across inductor and the capacitor at resonance in the LCR circuit ?
(c) When an inductor is connected to a 200 V dc voltage, a current of 1A flows through it. When the same inductor is connected to a 200 V, 50 Hz ac source, only 0.5 A current flows. Explain, why ? Also, calculate the self inductance of the inductor.
OR
(a) Draw the diagram of a device which is used to decrease high ac voltage into a low ac voltage and state its working principle. Write four sources of energy loss in this device.
(b) A small town with a demand of 1200 kW of electric power at 220 V is situated 20 km away from an electric plant generating power at 440 V. The resistance of the two wire line carrying power is 0.5 per km. The town gets the power from the line through a 4000-220 V step-down transformer at a sub-station in the town. Estimate the line power loss in the form of heat.
26. (a) Describe any two characteristic features which distinguish between interference and diffraction phenomena. Derive the expression for the intensity at a point of the interference pattern in Young’s double slit experiment.
(b) In the diffraction due to a single slit experiment, the aperture of the slit is 3 mm. If monochromatic light of wavelength 620 nm is incident normally on the slit, calculate the separation between the first order minima and the 3rd order maxima on one side of the screen. The distance between the slit and the screen is 1.5 m.
OR
(a) Under what conditions is the phenomenon of total internal reflection of light observed ? Obtain the relation between the critical angle of incidence and the refractive index of the medium.
(b) Three lenses of focal lengths +10 cm, –10 cm and +30 cm are arranged coaxially as in the figure given below. Find the position of the final image formed by the combination.

27. (a) Describe briefly the process of transferring the charge between the two plates of a parallel plate capacitor when connected to a battery. Derive an expression for the energy stored in a capacitor.
(b) A parallel plate capacitor is charged by a battery to a potential difference V. It is disconnected from battery and then connected to another uncharged capacitor of the same capacitance. Calculate the ratio of the energy stored in the combination to the initial energy on the single capacitor.
OR
(a) Derive an expression for the electric field at any point on the equatorial line of an electric dipole.
(b) Two identical point charges, q each, are kept 2m apart in air. A third point charge Q of unknown magnitude and sign is placed on the line joining the charges such that the system remains in equilibrium. Find the position and nature of Q.